FUKUSHIMA FUTABA ELECTRIC CO.,LTD

製品情報PRODUCTS

Wire Wound Conformal coated Resistors RW Serie

Back to the Product List

RWU1/2, RWS1

RWU1, RWS2

RWU2, RWS3

RWU3, RWS5

Name
Wire Wound Conformal coated Resistors RW Serie
Feature
Non-flammable insulation coating type power wire wound resistor
Applications
Inrush current prevention, various power sources for resistor
Overview
Non-flammable insulation coating that is silicon based material [Equivalent to UL94 V-0]
Space saving and long term stable resistor
Conventional type [RWU] & small type [RWS] are lined up.
Compliant European RoHS
お問い合わせはこちら
       
Type composition
Type composition
       
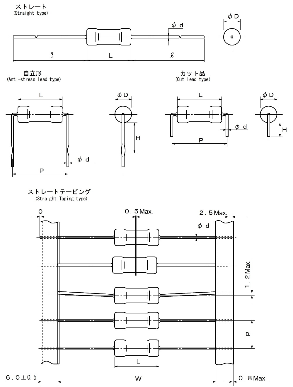
Style
Style

Download Product Catalogues

Back to the Product List